行业动态

微机综合保护测控装置在某电厂改造中的应用

2024-07-12

摘要:某电厂8号机10.5kV厂用电二次系统设备大多为常规电磁式继电器、电量变送器等。通过对厂用电二次系统从设备选型、设计、施工调试等方面进行的改造,尤其微机综合保护测控装置的应用,集控制、保护、测量、信号报警、开关量采集、通讯功能于一体,提高了设备的可靠性、先进性和自动化水平。

关键词:微机综合保护测控装置;电厂厂用电;可靠性。

1

// 引言

某电厂8号机组10.5kV厂用电系统分为两段,即V、VI段。正常工况下V、VI段分段运行,即联络断路器060处于断开位。V段由8GB经051断路器供电,同时还可由IV段047断路器供电(紧急备用电源),V段经配电柜053断路器和38B给机组自用电400Va段供电,而VI段则是由I段经013、061断路器供电,VI段经062断路器和39B给机组用电400Vb段进行供电,063作为备用出线。详见图1。

image.png

图1 电厂8号机10.5kV系统运行图

该系统运行至今已有10多年,两个母线段配电装置及继电保护二次设备基本为电磁式继电器,控制操作、防跳回路设备全部为电磁式继电器,二次回路设计复杂凌乱,无液晶显示,且不能实现远方控制,自动化程度和安全可靠性低,这些因素严重影响了设备的安全可靠运行。

为解决厂用电系统设备落后,故障频发给安全生产带来的被动局面,拟将10.5kV厂用两个母线段配电装置进行整体改造。继电保护二次设备亦将随之进行改造,选择合适的微机保护测控装置进行二次设备改造。

2

//  电厂8号机10.5kV二次系统特点及设计要点

该电厂8号机10.5kV厂用电系统采用两个母线段配电装置开关柜,全部二次回路原理图的设计工作结合微机综合保护测控装置原理和原厂用电设计原理基础来完成。

在设计上,考虑工作直流电源和备用直流电源的可靠切换,把开关柜控制、合闸、信号直流电源布置在每个开关柜上部设置的小母线上。10.5kV开关柜均需考虑柜内加热、照明问题及电源的布置,各开关柜的加热、照明电源,取自每个开关柜上部设置的交流电源小母线上。同时,综保测控装置中的保护和测量交流回路,按保护和测量各自专用电流互感器和电压互感器来设计接入。

根据该电厂8号机10.5kV厂用电母线所接设备负荷性质的不同,针对进线柜采用线路保护测控装置,配备有三段式过流保护、反时限过流保护、零序过流等保护功能,当线路出现故障时,能够快速切除故障,保证一次设备的稳定运行;针对变压器柜采用配电变保护测控装置,除了基本的三段式过流保护等功能外,还配备有高温告警、超温跳闸保护功能,能够在变压器出现温度异常时起到预警或切断回路,避免变压器损坏;针对母联柜采用备自投保护测控装置,配备有母联备自投、自适应备自投、进线备自投、联切备自投等多种备自投功能,由于该电厂8号机10.5kV厂用电系统初设计时考虑的是母联备自投方案,后续由于进线2容量调整,仅能支持VI段重要负载,故需调整为联切备自投供电方案,上述两种方案均可在备自投保护测控装置中由用户自行调整;针对PT柜采用监测并列装置,当其中一台PT柜手车退出检修时,为了避免本段进线柜配置的低电压保护误动,可通过将另一段母线电压并过来使用;同时,针对于低压母联柜,配置低压备自投保护装置,可实现低压系统中母联备自投或者进线备自投功能。

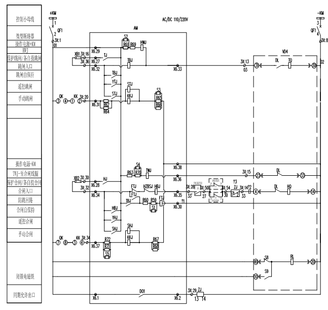
此外,此次二次系统改造在设计上还考虑了闭锁,051合闸回路中串入来自061进线柜和母联柜060断路器接点,同理其它进线断路器亦均接入了闭锁条件。对于V段备用进线柜052,还在其合闸回路中串入采自0477地刀的闭锁信号,VI段进线柜061的合闸回路中同样串入了0137接地刀闸的信号,作为闭锁条件,即接地开关在合闸位的情况下,断路器是合不上的,这样就可以避免带地刀合闸的情况的出现。具体的控制回路二次原理图如图2所示。

image.png

图2 控制回路二次原理图

3

//  10kV电力监控系统改造

为实时监视整个配电室的运行以及数据采集,针对该电厂配置一套电力监控系统,将微机保护的数据上传至电力监控系统,实现对10kV变电站的用电监控与管理,提高自动化管理水平。其可实现的主要功能如下:实时监测、电参量查询、运行报表、实时报警、历史事件查询、电能统计报表、用户权限管理、网络拓扑图、电能质量监测、遥控功能、通信管理、故障录波、事故追忆、曲线查询、Web访问、APP访问。改造后的电力监控系统拓扑图如图3所示。

image.png

图3 电力监控系统拓扑图

4

//  结束语

该电厂8号机10.5kV厂用电系统改造及微机综合保护测控装置自2019年改造投运以来,目前装置运行良好。改造后的厂用电系统综合保护测控装置配置全方面,记忆功能强大,为今后事故准确分析,正确解决问题提供了依据;新配置的各保护装置之间通过“手拉手”将485通信接口连接,数据送至电力监控系统,方便查看保护信息及故障信息管理,保障了该厂安全、稳定生产。

在线客服

关闭

微信

客户服务热线

19557160376

在线客服